
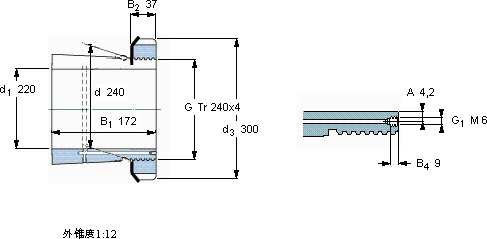
| 緊定套 | ||||||||||
| 尺寸 | 體積 | 型號 | ||||||||
| 緊定軸套帶螺母 | 鎖定螺母 | 鎖定裝置 | 適宜的液壓 | |||||||
| d1 | d | d3 | B1 | G | 和鎖緊裝置 | 螺母 | ||||
| mm | kg | - | ||||||||
| 220 | 240 | 300 | 172 | Tr 240x4 | 16,5 | OH 3148 H | HM 48 T | MB 48 | HMV 48 E | |

SKF軸承附件OH 3148 H屬于滾動軸承,它是緊定套的軸承附件,內徑:220,外徑:240,厚度172,SKFOH 3148 H主要應用于醫(yī)L器械、等領域。如果您需要購買或者了解更多關于SKFOH 3148 H的信息, 歡迎撥打訂購熱線:022-27921004 ![]()